OEM اتصال دهنده TNC Supplier

اتصال دهنده TNC

توضیحات:

کانکتورهای کواکسیال RF سری TNC بر اساس استاندارد نظامی ایالات متحده MIL-C-39012 توسعه و تولید شده اند. آنها دارای ویژگی های پهنای باند گسترده، اتصال قابل اعتماد و مقاومت در برابر ضربه خوب هستند. آنها برای اتصالات و کابل های RF برای ورودی و خروجی سیگنال تجهیزات رادیویی، ابزار الکترونیکی، اجزای مختلف لیزر مناسب هستند.

پارامتر:

مشخصات فنی اصلی:
◆ امپدانس مشخصه: 50Ω
◆ محدوده فرکانس: DC-18GHz
◆ مقاومت عایق: ≥5000MΩ
◆ ولتاژ مقاومت دی الکتریک: 1500 ولت (rms)
◆ نسبت موج ایستاده ولتاژ (VSWR): ≤1.30
◆ چرخه جفت گیری: 500 بار

پرس و جو کنید

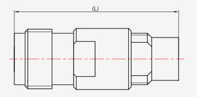
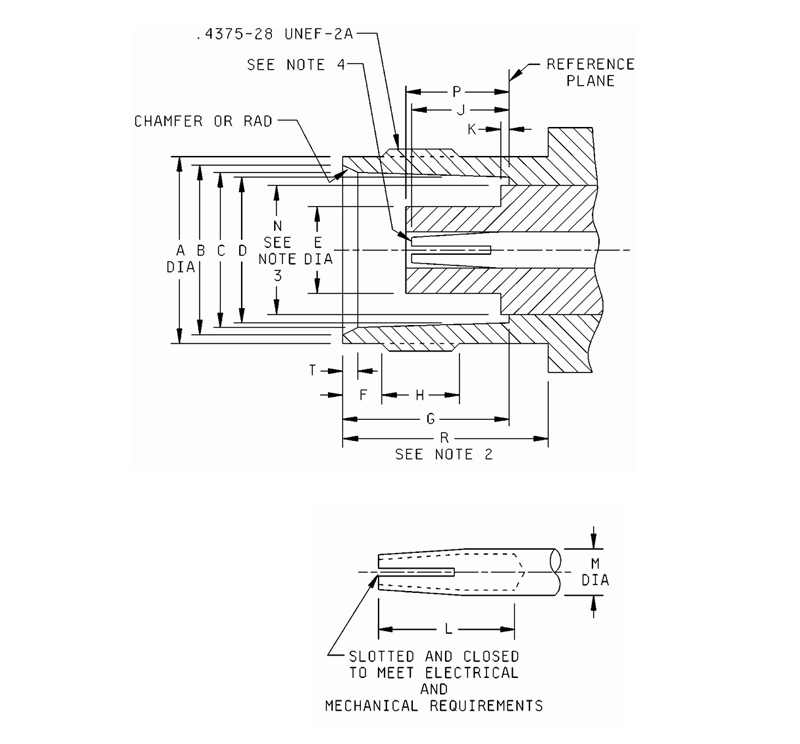
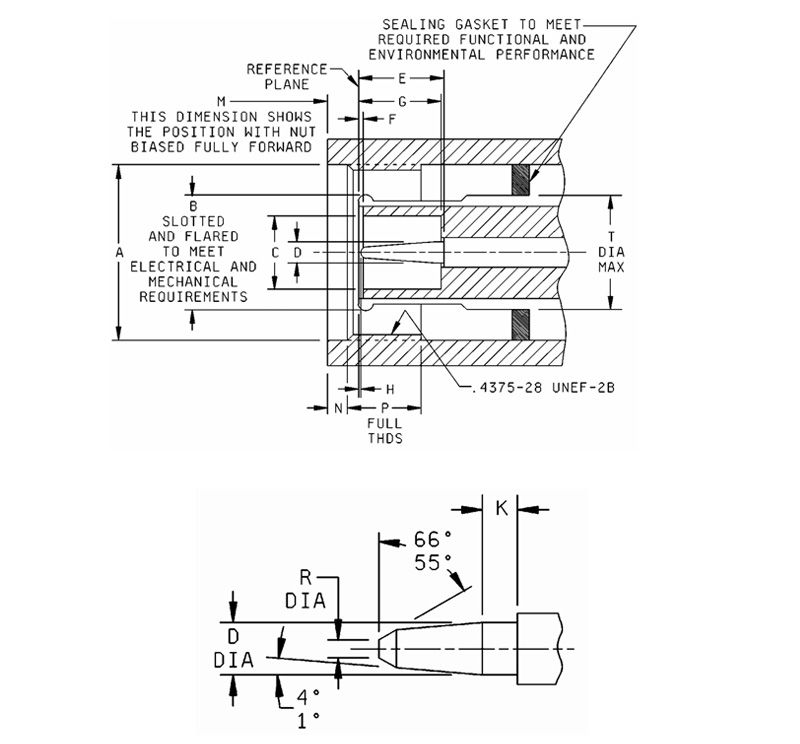
کم نور
Ltr
میلی متر (اینچ)
حداقل حداکثر
الف 0.378 (9.60) 0.381 (9.68)
ب 0.346 (8.79) 0.356 (9.04)
سی 00.327 (8.31) 0.333 (8.46)
D 0.319 (8.10) 0.321 (8.15)
E ------- 00.186 (4.72)
اف 0.068 (1.73) 0.088 (2.24)
جی 00.327 (8.31) 0.335 (8.51)
اچ 0.187 (4.75) -------
جی 00.186 (4.72) .206 (5.23)
ک ------- .006 (0.15)
L 0.195 (4.95) -------
م 0.081 (2.06) 0.087 (2.21)
ن ------- .256 (6.50)
پ 0.188 (4.78) .208 (5.28)
آر .414 (10.52) -------
تی 0.015 (0.38) 0.030 (0.76)

یادداشت ها:
1. این رابط باید الزامات گیج را که در آن مشخص شده است برآورده کند
مIL-پآراف-39012/28.
2. جای خالی برای جفت شدن مهره اتصال دهنده.
3. ابعاد برای آن بخش (در صورت وجود) دی الکتریک اعمال می شود
که فراتر از فلز بیرون زده است
شانه (یا صفحه مرجع) با بعد ک.
4. شناسه برای دیدار با VSwR هنگامی که با پین با قطر 0.052 اینچ (1.32 میلی متر)/.054 (1.37 میلی متر) جفت می شود.

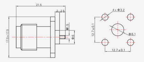
کم نور
Ltr
میلی متر (اینچ)
حداقل حداکثر
الف .440 (11.18) -------
ب جیauge test
سی 0.190 (4.83) -------
D 0.052 (1.32) 0.054 (1.37)
E .210 (5.33) 0.230 (5.84)
اف .006 (0.15) -------
جی .208 (5.28) .228 (5.79)
اچ 0.003 (0.08) 0.040 (1.02)
ک 00.078 (1.98) -------
م ------- 00.078 (1.98)
ن 0.063 (1.60) -------
پ 0.156 (3.96) -------
آر ------- 0.025 (0.64)
تی ------- 0.322 (8.18)

یادداشت ها:
1. این رابط باید الزامات گیج را که در آن مشخص شده است برآورده کند MIL-PRF-39012/26.

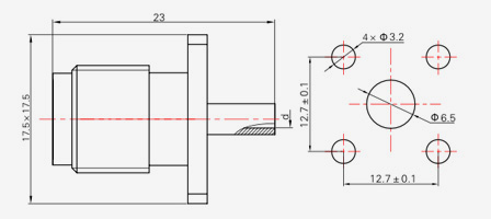
TNC SERIES
  • TNC-KF3A
    TNC-KF3A
    مدل نوع کابل
    TNC-KF3A SYV-50-2-1,RG316
    TNC-KF5A SYV-50-3,RG142,SFCJ-50-3-51
  • TNC-KF3A-1
    TNC-KF3A-1
    مدل نوع کابل
    TNC-KF3A-1 SYV-50-2-1,RG316
  • TNC-JB2
    TNC-JB2
    مدل نوع کابل د
    TNC-JB2 SFT-50-2,670-086 Φ2.2
    TNC-JB3 SFT-50-3,670-141 Φ3.6
  • TNC-JWB2
    TNC-JWB2
    مدل نوع کابل د
    TNC-JWB2 SFT-50-2,670-086 Φ2.2
    TNC-JWB3 SFT-50-3,670-141 Φ3.6
  • TNC-KB2
    TNC-KB2
    مدل نوع کابل د
    TNC-KB2 SFT-50-2,670-086 Φ2.2
    TNC-KB3 SFT-50-3,670-141 Φ3.6
  • TNC-KFB2
    TNC-KFB2
    مدل نوع کابل د
    TNC-KFB2 SFT-50-2,670-086 Φ2.2
    TNC-KFB3 SFT-50-3,670-141 Φ3.6
  • TNC-KFB2-1
    TNC-KFB2-1
    مدل نوع کابل د
    TNC-KFB2-1 SFT-50-2,670-086 Φ2.2
    TNC-KFB3-1 SFT-50-3,670-141 Φ3.6
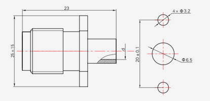
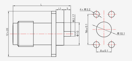
  • TNC-KFD2
    TNC-KFD2
    مدل L L1
    KFD2 27 3.5
    KFD3 22 2
  • TNC-J3A
    TNC-J3A
    مدل نوع کابل
    TNC-J3A SYV-50-2-1,RG316
    TNC-J5A SYV-50-3-4,RG142, SFCJ-50-3-51
    TNC-J5AC
  • TNC-J4
    TNC-J4
    مدل نوع کابل L
    TNC-J4 SYV-50-2-2 31
    TNC-J5 SYV-50-3-4، SFCJ-50-3-51، RG316 31
    TNC-(K)5
    TNC-J5C
    TNC-J7 SYV-50-5-1، SFCJ-50-5-51 36
    TNC-J7C
    TNC-J10 SYV-50-7-1، SYV-50-7-2، SFCJ-50-7-51 36
    TNC-J10C
  • TNC-JW5
    TNC-JW5
    مدل نوع کابل
    TNC-JW5 SYV-50-3-4,SFCJ-50-3-51,RG142
    TNC-JW7 SYV-50-5-1,SFCJ-50-5-51
    TNC-JW10 SYV-50-7-2,SFCJ-50-7-51
  • TNC-JW5-1
    TNC-JW5-1
    مدل نوع کابل
    TNC-JW5-1 SYV-50-3-4,SFCJ-50-3-51,RG142
  • TNC-K5
    TNC-K5
    مدل نوع کابل L
    TNC-K5 SYV-50-3-4، SFCJ-50-3-51، RG142 31
    TNC-(J)5
    TNC-K7 SYV-50-5-1، SFCJ-50-5-51 33
    TNC-K10 SYV-50-7-1، SYV-50-7-2، SFCJ-50-7-51 33
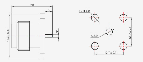
  • TNC-KFD1
    TNC-KFD1
  • TNC-KFD4
    TNC-KFD4

در تماس باشید

[#ورودی#]
ارسال کنید
درباره ما
Ningbo Hanson Communication Technology Co., Ltd.
Ningbo Hanson Communication Technology Co., Ltd.
Ningbo Hanson Communication Technology Co., Ltd. is China اتصال دهنده TNC Supplier and Custom اتصال دهنده TNC Company. We are a manufacturer specializing in the production, processing, and trade of communication components, with more than 30 years of experience in RF coaxial connectors, adapters, and cable assemblies. این شرکت اکنون کارگاه ماشینکاری، کارگاه آبکاری، کارگاه مونتاژ و گروهی از تامین کنندگان پایدار و قابل اعتماد خود را توسعه داده است. هدف این شرکت ارائه محصولات باکیفیت به مشتریان است. محصولات اصلی کانکتورهای کواکسیال RF، آداپتورها، مجموعه کابل های فرکانس بالا و مجموعه کابل های کم مدولاسیون هستند. علاوه بر این، این شرکت همچنین می تواند خدماتی را برای مشتریان با نیازهای سفارشی ارائه دهد تا نیازهای ویژه مشتریان را برای محصولات برآورده کند. محصولات این شرکت به طور گسترده در هوافضا، ایستگاه های پایه ارتباطی، تجهیزات پزشکی و سایر زمینه های با تکنولوژی بالا استفاده می شود. در زمان اصلاحات، نوآوری، توسعه و رشد شرکت، این شرکت ابتکار عمل را برای پیوستن به سیستم مدیریت کیفیت بین المللی ISO9001 به دست گرفت و به طور مستمر سطح مدیریت را بهبود بخشید تا محصولات و خدمات رضایت بخشی را به مشتریان جدید و قدیمی ارائه دهد.
آخرین اخبار
به دنبال فرصت تجاری هستید؟

درخواست تماس امروز