OEM N type RF Coaxial Connector Supplier

Ningbo Hanson Communication Technology Co., Ltd. صفحه اصلی / محصولات / کانکتور کواکسیال RF / کانکتور کواکسیال RF نوع N

کانکتور کواکسیال RF نوع N

توضیحات:

کانکتور کواکسیال RF سری N یک کانکتور کواکسیال RF با مکانیزم اتصال رشته ای است که مطابق با استاندارد نظامی ایالات متحده MIL-C-39012 توسعه یافته و تولید شده است. دارای ویژگی های پهنای باند وسیع، مقاومت در برابر ضربه خوب، قابلیت اطمینان بالا و عملکرد عالی است و به طور گسترده در ارتباطات مایکروویو و سیستم های اندازه گیری استفاده می شود. امپدانس مشخصه کانکتور کواکسیال RF سری N تولید شده توسط کارخانه ما به دو نوع تقسیم می شود: 50Ω و 75Ω.

پارامتر:

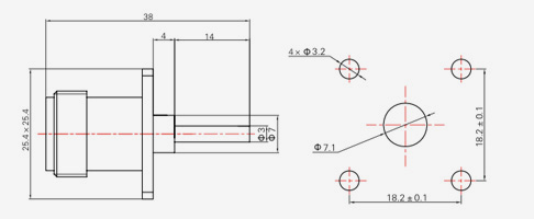
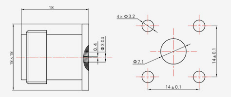
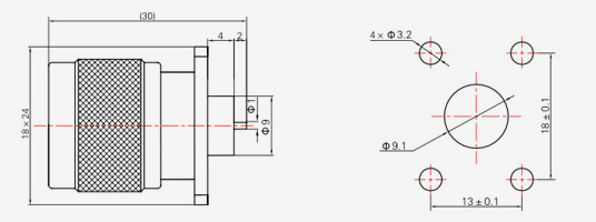
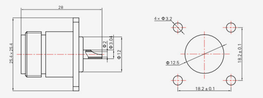
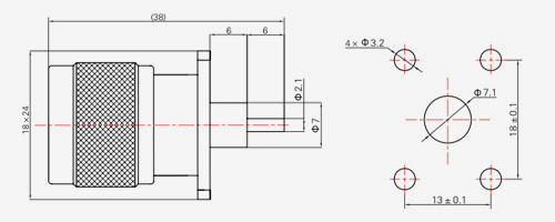
مشخصات فنی اصلی:
◆ امپدانس مشخصه: 50Ω/75Ω
◆ محدوده فرکانس: DC-18GHz(50Ω)/DC-3GHz(75Ω)
◆ مقاومت عایق: ≥5000MΩ
◆ ولتاژ مقاومت دی الکتریک: 1500 ولت (rms)
◆ نسبت موج ایستاده ولتاژ (VSWR): ≤1.30
◆ چرخه جفت گیری: 500 بار

پرس و جو کنید

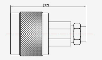
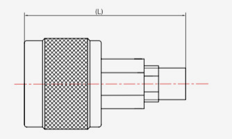
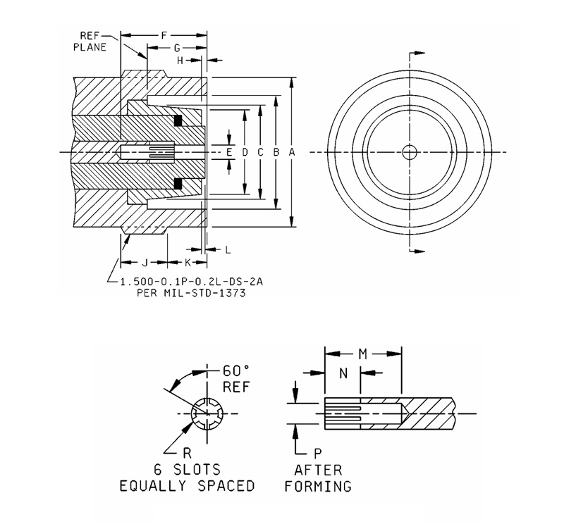
کم نور
Ltr
اینچ (میلی متر)
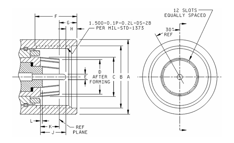
حداقل حداکثر
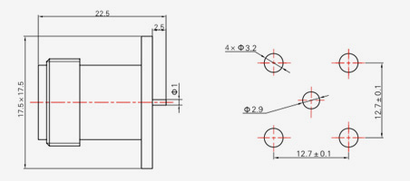
الف 0.336 (8.53) 0.344 (8.74)
ب 0.316 (8.03) 0.320 (8.13)
سی 0.356 (9.04) 0.362 (9.19)
D 000.187 (4.75) .207 (5.26)
E ------- 0.627 (15.93)
اف 0.119 (3.02) 0.124 (3.15)
جی .422 (10.72) -------
اچ 0.172 (4.37) .220 (5.59)
جی 00.047 (1.19) 00.077 (1.96)
ک 00.047 (1.19) 00.077 (1.96)
L 000.187 (4.75) .207 (5.26)
ن .210 (5.33) -------

یادداشت ها:
1. این رابط باید الزامات گیج را که در آن مشخص شده است برآورده کند
مIL-پآراف-39o12/2.
2. جای خالی برای جفت شدن مهره اتصال دهنده.
3. برای دیدار با VSwR، ویژگی های جفت گیری، مقاومت تماس و
دوام اتصال هنگام جفت شدن با پین قطر 0.063/.066.

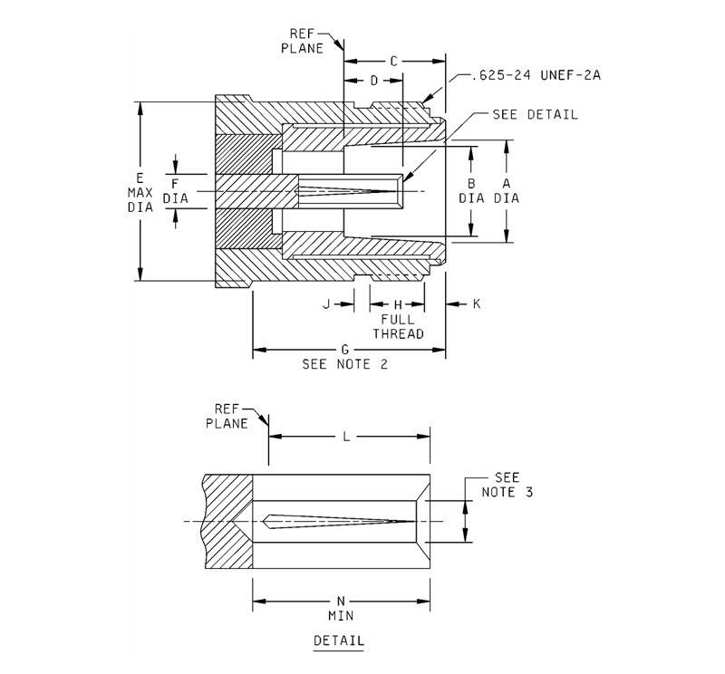
کم نور
Ltr
اینچ (میلی متر)
حداقل حداکثر
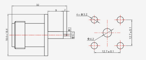
الف 1.740 (44.20) 1.760 (44.70)
ب 1.537 (39.04) 1.543 (39.19)
سی 1.060 (26.92) 1.064 (27.03)
D .964 (24.49) 0.974 (24.74)
E 0.194 (4.93) 0.196 (4.98)
اف 0.836 (21.23) 0.856 (21.74)
جی 0.372 (9.45) 0.392 (9.96)
اچ 0.271 (6.88) .291 (7.39)
جی 551 (14.00) 0.571 (14.50)
ک 0.370 (9.40) 0.380 (9.65)
L .001 (0.03) 00.013 (0.33)

یادداشت ها:
1. این رابط باید الزامات گیج را که در آن مشخص شده است برآورده کند MIL-PRF-39012/44.

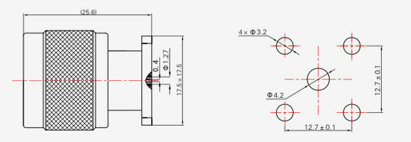
کم نور
Ltr
اینچ (میلی متر)
حداقل حداکثر
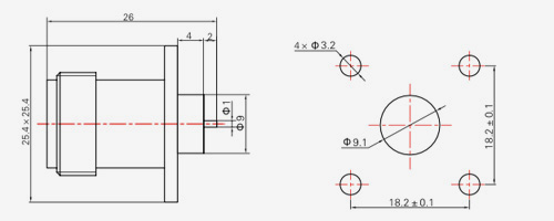
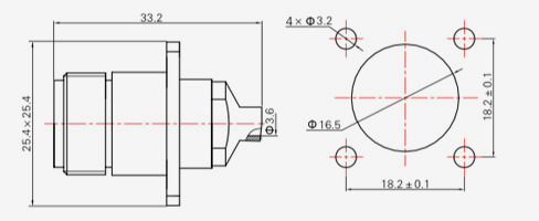
الف 1.404 (35.66) 1.408 (35.76)
ب 1.100 (27.94) 1.120 (28.45)
سی 1.998 (50.75) 1.002 (25.45)
D 936 (23.77) .940 (23.88)
E 0.191 (4.85) 0.195 (4.95)
اف 0.763 (19.38) 0.783 (19.89)
جی .465 (11.81) .485 (12.32)
اچ 0.062 (1.57) مرجع
جی 00.302 (7.67) 00.322 (8.18)
ک 00.302 (7.67) 00.322 (8.18)
L .001 (0.03) 00.013 (0.33)
M .490 (12.45) 0.510 (12.95)
ن .240 (6.10) 260 (6.60)
P 000.187 (4.75) 0.189 (4.80)
R 0.014 (0.36) 0.018 (0.46)

یادداشت ها:
1. این رابط باید الزامات گیج را که در آن مشخص شده است برآورده کند MIL-PRF-39012/45.

N SERIES
  • N-JB2
    N-JB2
    مدل نوع کابل د
    N-JB2 SFT-50-2,670-086 Φ2.2
    N-JB3 SFT-50-3,670-141 Ф3.6
  • N-JB3-1
    N-JB3-1
    مدل نوع کابل L
    N-JB3-1 SFT-50-3,670-141 17.6
    N-JB3A-1 SFT-50-3,670-141 16.5
  • N-KB3
    N-KB3
    مدل نوع کابل
    N-KB3 SFT-50-3,670-141
  • N-KFB3
    N-KFB3
    مدل نوع کابل
    N-KFB3 SFT-50-3,670-141
  • N-KYB3
    N-KYB3
    مدل نوع کابل
    N-KYB3 SFT-50-3,670-141
  • N-J3
    N-J3
    مدل نوع کابل
    N-J3 SYV-50-2-1,RG316
    N-J4 SYV-50-2-2
  • N-J5
    N-J5
    مدل نوع کابل L
    N-J5 SYV-50-3، RG142، SFCJ-50-3-51 33
    N-J5C SYV-50-3، RG142، SFCJ-50-3-51 33
    N-J7 SYV-50-5-1، SFCJ-50-5-51 36
    N-J10 SYV-50-7-1، SYV-50-7-2، SFCJ-50-7-51 36
  • N-J5.3
    N-J5.3
    مدل نوع کابل
    N-J5.3 32055205,GNB415
  • N-J311
    N-J311
    مدل نوع کابل
    N-J311 FFB311A
  • N-J10-1
    N-J10-1
    مدل نوع کابل
    N-J10-1 SFCJ-50-7-51
  • N-JW5
    N-JW5
    مدل نوع کابل
    N-JW5 SFCJ-50-3-51,SYV-50-3-4,RG142
    N-JW7 SFCJ-50-5-51,SYV-50-5-1
    N-JW10 SFCJ-50-7-51,SYV-50-7-2
  • N-JW8A
    N-JW8A
    مدل نوع کابل
    N-JW8A FFB311A,SYV-50-5
    N-JW12A SYV-75-3
    N-JW13A SYV-75-5
  • N-K3
    N-K3
    مدل نوع کابل
    N-K3 SYV-50-2-1,RG316
  • N-K5
    N-K5
    مدل نوع کابل L
    N-K5 SYV-50-3، RG142، SFCJ-50-3-51 36
    N-K7 SYV-50-5-1,SFCJ-50-5-51 38
    N-K10 SYV-50-7-1,SFCJ-50-7-51 38
  • N-KF5
    N-KF5
    مدل نوع کابل L
    N-KF5 SYV-50-3,RG142,SFCJ-50-3-51 36
    N-KF7 SYV-50-5-1,SFCJ-50-5-51 38
    N-KF10 SYV-50-7-1,SFCJ-50-7-51 38
  • N-KF3A
    N-KF3A
    مدل نوع کابل L
    N-KF3A SYV-50-2-1,RG316 33
    N-KF5A SYV-50-3-4,RG142 42
  • N-KY3Y
    N-KY3Y
    مدل نوع کابل
    N-KY3Y SYV-50-2-1,RG316
  • N-KFD
    N-KFD
    مدل L L1 L2
    KFD 26 4 2
    KFD2 31 6 5
    KFD15 30 6 4
    KFD16 28.5 6 2.5
    KFD17 28 6 2
    KFD18 29 5 4
    KFD19 29 4 5
    KFD20 33 4 9
  • N-KF
    N-KF
  • N-JFD1
    N-JFD1
  • N-JFD2
    N-JFD2
  • N-JFD3
    N-JFD3
  • N-JFD23
    N-JFD23
  • N-KFD1
    N-KFD1
  • N-KFD7
    N-KFD7
  • N-KFD11
    N-KFD11
  • N-KFD50
    N-KFD50
  • N-KFD-Z
    N-KFD-Z
  • N-KFD9
    N-KFD9
  • N-KFD14
    N-KFD14

در تماس باشید

[#ورودی#]
ارسال کنید
درباره ما
Ningbo Hanson Communication Technology Co., Ltd.
Ningbo Hanson Communication Technology Co., Ltd.
Ningbo Hanson Communication Technology Co., Ltd. is China N type RF Coaxial Connector Supplier and Custom N type RF Coaxial Connector Company. We are a manufacturer specializing in the production, processing, and trade of communication components, with more than 30 years of experience in RF coaxial connectors, adapters, and cable assemblies. این شرکت اکنون کارگاه ماشینکاری، کارگاه آبکاری، کارگاه مونتاژ و گروهی از تامین کنندگان پایدار و قابل اعتماد خود را توسعه داده است. هدف این شرکت ارائه محصولات باکیفیت به مشتریان است. محصولات اصلی کانکتورهای کواکسیال RF، آداپتورها، مجموعه کابل های فرکانس بالا و مجموعه کابل های کم مدولاسیون هستند. علاوه بر این، این شرکت همچنین می تواند خدماتی را برای مشتریان با نیازهای سفارشی ارائه دهد تا نیازهای ویژه مشتریان را برای محصولات برآورده کند. محصولات این شرکت به طور گسترده در هوافضا، ایستگاه های پایه ارتباطی، تجهیزات پزشکی و سایر زمینه های با تکنولوژی بالا استفاده می شود. در زمان اصلاحات، نوآوری، توسعه و رشد شرکت، این شرکت ابتکار عمل را برای پیوستن به سیستم مدیریت کیفیت بین المللی ISO9001 به دست گرفت و به طور مستمر سطح مدیریت را بهبود بخشید تا محصولات و خدمات رضایت بخشی را به مشتریان جدید و قدیمی ارائه دهد.
آخرین اخبار
به دنبال فرصت تجاری هستید؟

درخواست تماس امروز