OEM عایق شیشه RF Supplier

عایق شیشه RF

توضیحات:

عایق های شیشه ای از ساختار پخت شیشه با عملکرد آب بندی خوب استفاده می کنند. آنها را می توان با کانکتورهای موج میلی متری مانند SMA و 2.92 استفاده کرد و همچنین می تواند مستقیماً بین بردهای PCB، قالب ها و قالب ها و قطعات استفاده شود. از شیشه (ثابت دی الکتریک حدود 4.0 است) به عنوان ماده متوسط ​​عایق استفاده می کند و هادی های داخلی و خارجی از مواد آلیاژی Kovar ساخته شده اند. پس از پخت در دمای بالا، سطح آن با طلا نیکل اندود می شود. عایق های شیشه ای دارای مزایای اندازه کوچک، وزن سبک، هوابندی و قابلیت اطمینان بالا هستند. آنها بیشتر در مواردی با الزامات آب بندی یا نیاز به حجم و وزن محصول استفاده می شوند. آنها برای نصب فشرده مناسب هستند. هادی داخلی را می توان به روش های مختلفی مانند پلاگین، نصب روی سطح، جوشکاری و اتصال سیم طلایی متصل کرد.

پرس و جو کنید

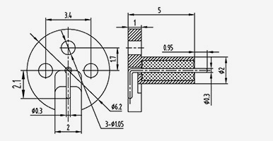
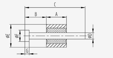
ساختار پایه:
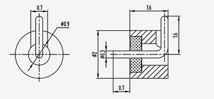
عایق شیشه ای معمولاً از سه قسمت هادی بیرونی، هادی میانی شیشه ای و هادی داخلی تشکیل شده است که ساختار اصلی آن در شکل زیر نشان داده شده است.

مشخصات فنی و تست های قابلیت اطمینان:

ویژگی های الکتریکی
امپدانس مشخصه 50Ω یا دیگر محدوده فرکانس DC ~ 65 گیگاهرتز
ولتاژ مقاوم دی الکتریک ≥500 ولت مقاومت عایق ≥5000M Ω
مقاومت تماسی هادی داخلی≤3m Ω ولتاژ VSWR (50Ω) ≤ 1.05 0.008f (f: گیگاهرتز)
هادی بیرونی ≤2m Ω افت درج RF (50Ω) ≤0.05 √ f (f: گیگاهرتز)
مواد و مکانیکی، خواص زیست محیطی
هادی بیرونی آلیاژهای قابل واگذاری میزان نشت هوا 1.01*10 -9 پ.م 3 / س
هادی داخلی آلیاژهای تجزیه پذیر دمای عملیاتی -65 ~ 165
محیط عایق شیشه ای

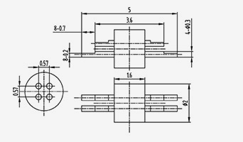
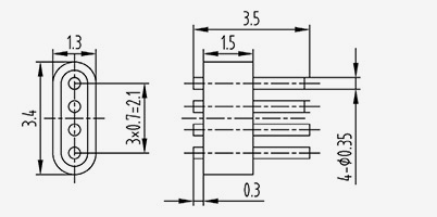
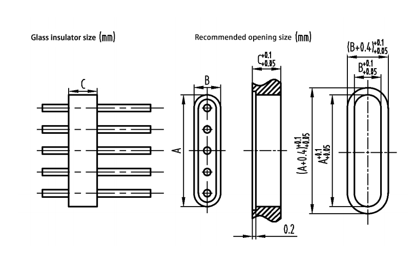
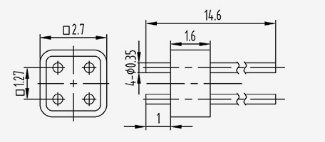
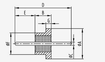
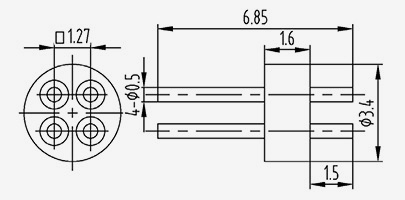
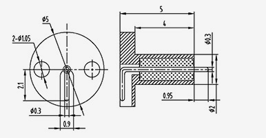
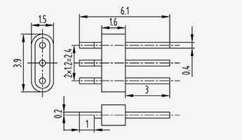
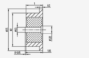
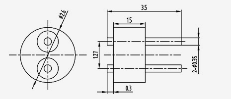
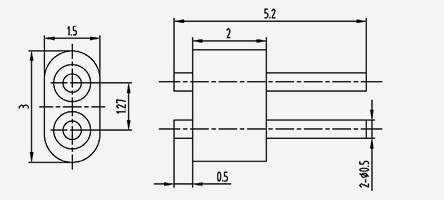
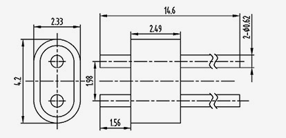
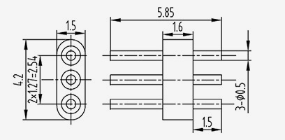
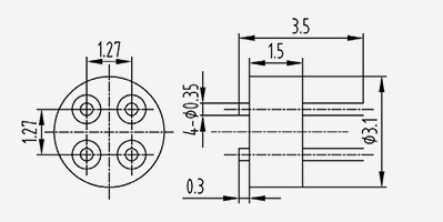
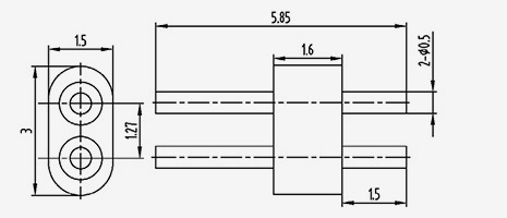
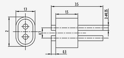
ابعاد نصب توصیه شده برای مقره های شیشه ای
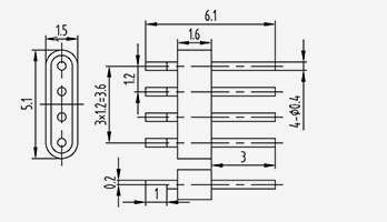
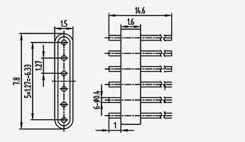
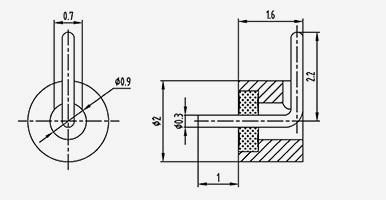
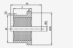
ابعاد دهانه نصب توصیه شده برای عایق های شیشه ای تک هسته ای در زیر نشان داده شده است:

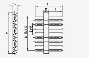
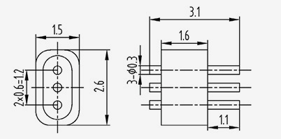
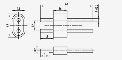
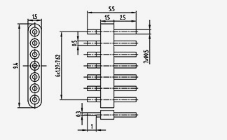
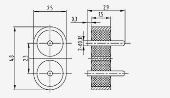
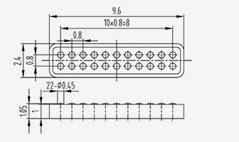
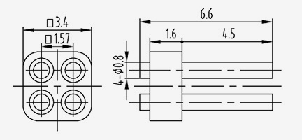
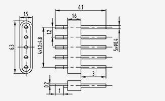
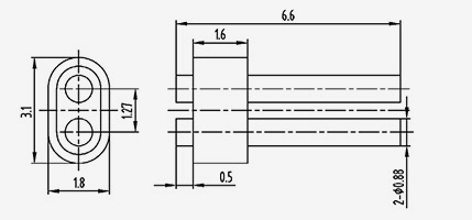
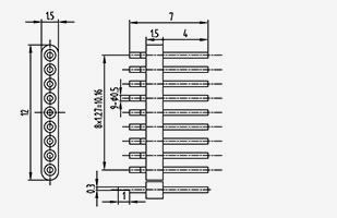
ابعاد دهانه نصب توصیه شده برای عایق های شیشه ای چند هسته ای در زیر نشان داده شده است:

تست عملکرد الکتریکی عایق شیشه ای:
عایق های شیشه ای امپدانس مشخصه 50 اهم با اتصالات موج استاندارد SMA، 2.92، 2.4، و غیره که در دو انتها برای تست عملکرد الکتریکی جفت شده اند.

RF SERIES
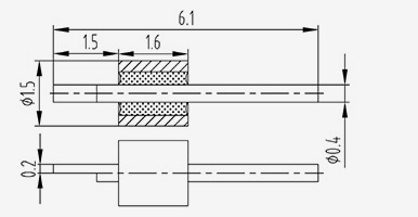
  • امپدانس مشخصه 50Ω سر گرد تک هسته ای
    امپدانس مشخصه 50Ω سر گرد تک هسته ای
    مدل اندازه (میلی متر)
    الف ب سی D E
    HS1710-0.23 (2.8-0.3) 1.73 1 0.23 2.8 0.3
    HS1710-0.23 (6.2-2.7) 1.73 1 0.23 6.2 2.7
    HS1710A 1.73 1 0.23 3 1
    HS1714-0.23 (2-0.3) 1.73 1.4 0.23 2 0.3
    V1714-0.23 (2.69-0.5) 1.73 1.4 0.23 2.7 0.5
    V1714-0.23 (3.9-1.7) 1.73 1.4 0.23 3.9 1.7
    V1714-0.23 (4.5-1.7) 1.73 1.4 0.23 4.5 1.7
    HS1714-0.23 (3-1.1) 1.73 1.4 0.23 3 1.1
    HSI714E 1.73 1.4 0.23 2.9 1
    HS1714F 1.73 1.4 0.23 2.79 0.9
    HS1715-0.23 (3.2-0.8) 1.73 1.5 0.23 3.2 0.8
    HS1716A 1.73 1.65 0.23 3.4 1
    V1719-0.23 (5.0-1.7) 1.73 1.9 0.23 5 1.7
    V1720-0.23 (3.3-0.5) 1.73 2 0.23 3.3 0.5
    HS1720-0.23 (3.7-1.2) 1.73 2 0.23 3.7 1.2
    V1720-0.23 (4.0-1.0) 1.73 2 0.23 4 1
    HS1720-0.23 (6-2) 1.73 2 0.23 6 2
    V1724-0.23 (3.7-0.5) 1.73 2.4 0.23 3.7 0.5
    HS1724-0.23 (4.5-1.7) 1.73 2.4 0.23 4.5 1.7
  • امپدانس مشخصه 50Ω سر گرد تک هسته ای
    امپدانس مشخصه 50Ω سر گرد تک هسته ای
    مدل اندازه (میلی متر)
    الف ب سی D E
    V1727-0.23 (4.0-0.5) 1.73 2.7 0.23 4 0.5
    HS1727A 1.73 2.7 0.23 4.7 1
    HS1728-0.23 (4-0.5) 1.73 2.8 0.23 4 0.5
    HS1730-0.23 (4.3-0.5) 1.73 3 0.23 4.3 0.5
    V1730-0.23 (5.0-1.0) 1.73 3 0.23 5 1
    HS1734-0.23-01 1.73 3.4 0.23 5.2 1
    HS1744-0.23-01 1.73 4.4 0.23 6.2 1
    HS1749-0.23 (8.9-2.0) 1.73 4.9 0.23 8.9 2
    HS1751A 1.73 5.1 0.23 5.9 0.4
    HS1756-0.23 (6.6-0.5) 1.73 5.6 0.23 6.6 0.5
    HS1914-0.3 (2.55-0.35) 1.9 1.4 0.3 2.55 0.35
    HS1914-0.3 (3.2-1.1) 1.9 1.4 0.3 3.2 1.1
    HS1914C 1.9 1.4 0.3 3.6 0.7
    HS1914-0.3 (4.4-2) 1.9 1.4 0.3 4.4 2
    HS1914-0.3 (3.2-1.1) 1.9 1.4 0.3 3.2 1.1
    HS1914-0.3 (3.8-1.2) 1.9 1.4 0.3 3.8 1.2
    HS1914-0.3 (4.4-2) 1.9 1.4 0.3 4.4 2
    HS1916-0.3 (4.7-0.8) 1.9 1.6 0.3 4.7 0.8
    HS1916B 1.9 1.6 0.3 4.9 0.8
  • امپدانس مشخصه 50Ω سر گرد تک هسته ای
    امپدانس مشخصه 50Ω سر گرد تک هسته ای
    مدل اندازه (میلی متر)
    الف ب سی D E
    HS1917-0.3 (3.45-1) 1.9 1.75 0.3 3.45 1
    HS1918-0.3 (5.8-2) 1.9 1.8 0.3 5.8 2
    HS1918-0.3 (7.8-4.2) 1.9 1.8 0.3 7.8 4.2
    HS1918-0.3 (3.5-1) 1.95 1.8 0.3 3.5 1
    HS1934-0.3 (4.6-0.4) 1.9 3.4 0.3 4.6 0.4
    HS2006-0.3 (3.2-2) 2 0.6 0.3 3.2 2
    HS2008-0.3 (1.32-0.26) 2 0.8 0.3 1.32 0.26
    HS2008F 2 0.8 0.3 1.7 0.45
    HS2008-0.3 (1.8-0.3) 2 0.8 0.3 1.8 0.3
    HS2008-0.3 (2.8-1.0) 2 0.8 0.3 2.8 1
    HS2008-0.3 (3.0-1.5) 2 0.8 0.3 3 1.5
    HS2008-0.3 (3.4-0.8) 2 0.8 0.3 3.4 0.8
    HS2008-0.3 (3.6-1.2) 2 0.8 0.3 3.6 1.2
    HS2008-0.3 (5.4-2.6) 2 0.8 0.3 5.4 2.6
    HS2008-0.3 (6-2.6) 2 0.8 0.3 6 2.6
    HS2010-0.3 (2.1-0.7) 2 1 0.3 2.1 0.7
    HS2010-0.3 (2.5-1) 2 1 0.3 2.5 1
    HS2010-0.3 (3.2-1.2) 2 1 0.3 3.2 1.2
    HS2011-0.3(2.1-0.5) 2 1.1 0.3 2.1 0.5
  • امپدانس مشخصه 50Ω سر گرد تک هسته ای
    امپدانس مشخصه 50Ω سر گرد تک هسته ای
    مدل اندازه (میلی متر)
    الف ب سی D E
    HS2012A 2 1.2 0.3 3.5 1.2
    HS2012-0.3 (6-1.8) 2 1.2 0.3 6 1.8
    HS2012-0.3 (6.7-1.5) 2 1.2 0.3 6.7 1.5
    HS2013-0.3 (2.3-0.5) 2 1.3 0.3 2.3 0.5
    HS2014-0.3 (1.92-0.26) 2 1.4 0.3 1.92 0.26
    HS2014-0.3 (2.12-0.36) 2 1.4 0.3 2.12 0.36
    HS2014-0.3 (2.4-0.5) 2 1.4 0.3 2.4 0.5
    HS2014D 2 1.4 0.3 3.1 0.45
    HS2014-0.3 (4.4-1.5) 2 1.4 0.3 4.4 1.5
    HS2014-0.3 (4.4-1) 2 1.4 0.3 4.4 1
    HS2014-0.3 (4.55-1.5) 2 1.4 0.3 4.55 1.5
    HS2014-0.3 (4.65-1.5) 2 1.4 0.3 4.65 1.5
    HS2014-0.3 (5.5-1.9) 2 1.4 0.3 5.5 1.9
    HS2014-0.3 (5.7-1.8) 2 1.4 0.3 5.7 1.8
    HS2014-0.3 (8.0-4.6) 2 1.4 0.3 8 4.6
    HS2014-0.3 (8-1.9) 2 1.4 0.3 8 1.9
    HS2015-0.3 (3.25-0.75) 2 1.5 0.3 3.25 0.75
    HS2016-0.3 (2.7-0.7) 2 1.6 0.3 2.7 0.7
    HS2016-0.3(2.8-0.5) 2 1.6 0.3 2.8 0.5
  • امپدانس مشخصه 50Ω سر گرد تک هسته ای
    امپدانس مشخصه 50Ω سر گرد تک هسته ای
    مدل اندازه (میلی متر)
    الف ب سی D E
    HS2020-0.3 (3.8-0.8) 2 2 0.3 3.8 0.8
    HS2020-0.3 (5.6-2.8) 2 2 0.3 5.6 2.8
    HS2020-0.3 (5.7-2.9) 2 2 0.3 5.7 2.9
    HS2020-0.3 (6-2) 2 2 0.3 6 2
    HS2020-0.3 (12-5) 2 2 0.3 12 5
    HS2022F 2 2.2 0.3 3.1 0.45
    HS2022-0.3 (3.2-0.7) 2 2.2 0.3 3.2 0.7
    HS2023-0.3 (3.35-0.7) 2 2.3 0.3 3.35 0.7
    HS2023-0.3 (3.7-0.7) 2 2.3 0.3 3.7 0.7
    HS2025-0.3 (4.8-0.9) 2 2.5 0.3 4.8 0.9
    HS2025-0.3 (6-1.5) 2 2.5 0.3 6 1.5
    HS2025-0.38 (7.4-1.4) 2 2.5 0.38 7.4 1.4
    HS2026.5-0.3-01 2 2.6 5 0.3 0.1
    HS2028-0.3 (4.9-0.5) 2 2.8 0.3 4.9 0.5
    HS2029-0.3 (4.1-0.8) 2 2.9 0.3 4.1 0.8
    HS2029-0.3 (4.9-0.5) 2 2.9 0.3 4.9 0.5
    HS2030-0.3 (5.2-1.5) 2 3 0.3 5.2 1.5
    HS2030-0.3 (5.8-1) 2 3 0.3 5.8 1
    HS2030-0.3(8-2) 2 3 0.3 8 2
  • امپدانس مشخصه 50Ω سر گرد تک هسته ای
    امپدانس مشخصه 50Ω سر گرد تک هسته ای
    مدل اندازه (میلی متر)
    الف ب سی D E
    HS2030-0.3 (9-1.5) 2 3 0.3 9 1.5
    HS2034-0.3 (4.4-0.7) 2 3.4 0.3 4.4 0.7
    HS2035-0.3 (6.6-1.8) 2 3.5 0.3 6.6 1.8
    HS2035-0.3 (6.65-1.3) 2 3.5 0.3 6.65 1.3
    HS2035-0.3 (7.1-1.3) 2 3.5 0.3 7.1 1.3
    HS2035-0.3 (9.5-3) 2 3.5 0.3 9.5 3
    HS2036-0.3 (5.7-0.7) 2 3.6 0.3 5.7 0.7
    HS2040A 2 4 0.3 5.1 0.8
    HS2045-0.7 (11.5-2) 2 4.5 0.7 11.5 2
    HS2050-0.3 (6.4-0.7) 2 5 0.3 6.4 0.7
    HS2507-0.38 (2.2-0.3) 2.5 0.7 0.38 2.2 0.3
    HS2508-0.38 (1.8-0.3) 2.5 0.8 0.38 1.8 0.3
    HS2508-0.38 (2-0.5) 2.5 0.8 0.38 2 0.5
    HS2510-0.38(3.6-1.3 ) 2.5 1 0.38 3.6 1.3
    HS2510-0.38 (7-3) 2.5 1 0.38 7 3
    HS2511-0.38 (2..4-0.5) 2.5 1.1 0.38 2.4 0.5
    HS2511-0.38 (3.7-0.6) 2.5 1.1 0.38 3.7 0.6
    HS2512-0.38 (3.1-0.8) 2.5 1.1 0.38 3.7 0.6
    HS4414-0.3(3.2-1.1) 4.4 1.4 0.3 3.2 1.1
  • امپدانس مشخصه 50Ω سر گرد تک هسته ای
    امپدانس مشخصه 50Ω سر گرد تک هسته ای
    مدل اندازه (میلی متر)
    الف ب سی D E
    HS2516-0.3 (7.5-2.14) 2.5 1.6 0.3 7.5 2.14
    HS2516-0.3 (8-1.8) 2.5 1.6 0.3 8 1.8
    HS2516-0.38 (3.5-0.7) 2.5 1.6 0.38 3.5 0.7
    HS2516-0.38 (4.1-1.25) 2.5 1.6 0.38 4.1 1.25
    HS2516-0.38 (4.3-1.2) 2.5 1.6 0.38 4.3 1.2
    Ka2511-0.38 (2.7-1.0) 2.5 1.1 0.38 2.7 1
    Ka2516-0.38 (2.9-0.3) 2.5 1.6 0.38 2.9 0.3
    K2516-0.38 (4-1.5) 2.5 1.6 0.38 4 1.5
    HS2516-0.38 (4.5-1.2) 2.5 1.6 0.38 4.5 1.2
    HS2516-0.38 (4.6-1) 2.5 1.6 0.38 4.6 1
    HS2516E 2.5 1.6 0.38 4.6 1.5
    HS2516G 2.5 1.6 0.38 4.6 1.5
    HS2516-0.38 (4.8-1.2) 2.5 1.6 0.38 4.8 1.2
    HS2516-0.38 (4.9-1.5) 2.5 1.6 0.38 4.9 1.5
    HS2516-0.38 (5.1-1.6) 2.5 1.6 0.38 5.1 1.6
    HS2516-0.38 (5.3-1.2) 2.5 1.6 0.38 5.3 1.2
    Ka2516-0.38 (5.6-3.0) 2.5 1.6 0.38 5.6 3
    HS2516-0.38 (6.1-1.3) 2.5 1.6 0.38 6.1 1.3
    HS2516-0.38(7.1-1.4) 2.5 1.6 0.38 7.1 1.4
  • امپدانس مشخصه 50Ω سر گرد تک هسته ای
    امپدانس مشخصه 50Ω سر گرد تک هسته ای
    مدل اندازه (میلی متر)
    الف ب سی D E
    HS2516-0.38 (7.41-1.27) 2.5 1.6 0.38 7.41 1.27
    HS2516F 2.5 1.6 0.38 7.45 4.55
    HS2516-0.38-01 2.5 1.6 0.38 7.5 1.3
    HS2516-0.38 (8-1.8) 2.5 1.6 0.38 8 1.8
    RF2516-0.38 (8-4.6) 2.5 1.6 0.38 8 4.6
    HS2516-0.38 (8-5) 2.5 1.6 0.38 8 5
    K2516-0.38 (8-1.5) 2.5 1.6 0.38 8 1.5
    K2516-0.38 (8-5.9) 2.5 1.6 0.38 8 5.9
    HS2516-0.38 (11.6-5) 2.5 1.6 0.38 11.6 5
    HS2516-0.38 (12-2.0) 2.5 1.6 0.38 12 2
    HS2520-0.38 (6-2) 2.5 2 0.38 6 2
    HS2520-0.38 (7.4-1.4) 2.5 2 0.38 7.4 1.4
    HS2520-0.38 (7.8-1.4) 2.5 2 0.38 7.8 1.4
    HS2520-0.38 (9.0-2.0) 2.5 2 0.38 9 2
    HS2520-0.38 (12-5) 2.5 2 0.38 12 5
    HS2520-0.38 (15-2) 2.5 2 0.38 15 2
    HS2524-0.38 (5.7-1.1) 2.5 2.4 0.38 5.7 1.1
    HS2526-0.38 (6.6-2) 2.5 2.6 0.38 6.6 2
    HS2530-0.38(3.6-0.3) 2.5 3 0.38 3.6 0.3
  • امپدانس مشخصه 50Ω سر گرد تک هسته ای
    امپدانس مشخصه 50Ω سر گرد تک هسته ای
    مدل اندازه (میلی متر)
    الف ب سی D E
    Ka2530-0.38 (4.6-1.0) 2.5 3 0.38 4.6 1
    HS2530A 2.5 3 0.38 5 1
    HS2530-0.38 (7.5-1.5) 2.5 3 0.38 7.5 1.5
    HS2530-0.38 (8-0.4) 2.5 3 0.38 8 0.4
    HS2530-0.38 (8-2) 2.5 3 0.38 8 2
    HS2530-0.38 (9-3) 2.5 3 0.38 9 3
    HS2530-0.38 (12-2.2) 2.5 3 0.38 12 2.2
    HS2530-0.38 (13.9-8.2) 2.5 3 0.38 13.9 8.2
    HS2530-0.38 (20-4) 2.5 3 0.38 20 4
    HS2533-0.38 (6.5-1.2) 2.5 3.3 0.38 6.5 1.2
    HS2535-0.38 (7.5-2) 2.5 3.5 0.38 7.5 2
    HS2537-0.38 (7.7-2) 2.5 3.7 0.38 7.7 2
    HS2540-0.38 (11-1.8) 2.5 4 0.38 11 1.8
    HS2545-0.38 (8-1.3) 2.5 4.5 0.38 8 1.3
    HS2550-0.38 (6.9-1.5) 2.5 5 0.38 6.9 1.5
    HS2550-0.38 (11-2) 2.5 5 0.38 11 2
    HS2558-0.38 (14.8-6) 2.5 5.8 0.38 14.8 6
    HS2575-0.38 (12-1.3) 2.5 7.5 0.38 12 1.3
    HS2810-0.45(3.3-0.35) 2.8 1 0.45 3.3 0.35
  • امپدانس مشخصه 50Ω سر گرد تک هسته ای
    امپدانس مشخصه 50Ω سر گرد تک هسته ای
    مدل اندازه (میلی متر)
    الف ب سی D E
    HS2815-0.45 (5.75-1.25) 2.8 1.5 0.45 5.75 1.25
    HS2816-0.45 (4.6-1.5) 2.8 1.6 0.45 4.6 1.5
    HS2816-0.45 (4.9-1.8) -R 2.8 1.6 0.45 4.9 1.8
    HS2816-0.45 (5.1-1.5) 2.8 1.6 0.45 5.1 1.5
    HS2816-0.45 (5.2-1.1) 2.8 1.6 0.45 5.2 1.1
    HS2816-0.45 (5.4-2) 2.8 1.6 0.45 5.4 2
    HS2816-0.45 (5.6-2) 2.8 1.6 0.45 5.6 2
    HS2816-0.45 (6.2-1.8) 2.8 1.6 0.45 6.2 1.8
    HS2816-0.45 (8.0-4.6) 2.8 1.6 0.45 8 4.6
    HS2816-0.45 (8-1.8) 2.8 1.6 0.45 8 1.8
    HS2816-0.45 (11.6-5) 2.8 1.6 0.45 11.6 5
    HS2816-0.45 (12-3.0) 2.8 1.6 0.45 12 3
    HS2831-0.45 (5.2-1.8) 2.8 3.1 0.45 5.2 1.8
    HS2843-0.45 (8.3-2) 2.8 4.3 0.45 8.3 2
    HS3015-0.5 (4.3-0.8) 3 1.5 0.5 4.3 0.8
    HS3016-0.5 (3.4-0.9) 3 1.6 0.5 3.4 0.9
    HS3016-0.5 (4.6-1) 3 1.6 0.5 4.6 1
    HS3016-0.5 (4.6-1.5) 3 1.6 0.5 4.6 1.5
    HS3016B 3 1.6 0.38 4.9 1.8
  • امپدانس مشخصه 50Ω سر گرد تک هسته ای
    امپدانس مشخصه 50Ω سر گرد تک هسته ای
    مدل اندازه (میلی متر)
    الف ب سی D E
    HS3016-0.5 (5.6-2) 3 1.6 0.5 5.6 2
    HS3016C 3 1.6 0.5 6.6 2
    HS3016-0.5 (6.6-2.5) 3 1.6 0.5 6.6 2.5
    HS3016-0.5 (7.5-2) 3 1.6 0.5 7.5 2
    HS3016-0.5 (7.5-3.9) 3 1.6 0.5 7.5 3.9
    HS3016-0.5 (7.8-2.0) 3 1.6 0.5 7.8 2
    HS3016-0.5 (9.65-3.05) 3 1.6 0.5 9.65 3.05
    HS3016-0.5 (12-5.0) 3 1.6 0.5 12 5
    HS3016-0.5 (14.3-1.5) 3 1.6 0.5 14.3 1.5
    HS3020-0.5 (5-1.8) 3 2 0.5 5 1.8
    HS3020-0.5 (6.0-1.5) 3 2 0.5 6 1.5
    HS3020-0.5 (6.5-2.2) 3 2 0.5 6.5 2.2
    HS3020-0.5 (6.5-2.3) 3 2 0.5 6.5 2.3
    HS3020-0.5 (6.8-1.8) 3 2 0.5 6.8 1.8
    HS3020-0.5 (7.5-2.2) 3 2 0.5 7.5 2.2
    HS3020-0.5 (8-2) 3 2 0.5 8 2
    HS3020-0.5 (8.5-2.2) 3 2 0.5 8.5 2.2
    HS3020-0.5 (8.5-4.3) 3 2 0.5 8.5 4.3
    HS3020-0.5 (10-4) 3 2 0.5 10 4
  • امپدانس مشخصه 50Ω سر گرد تک هسته ای
    امپدانس مشخصه 50Ω سر گرد تک هسته ای
    مدل اندازه (میلی متر)
    الف ب سی D E
    HS3020-0.5 (10-1.5) 3 2 0.5 10 1.5
    HS3020-0.5 (12-4.0) 3 2 0.5 12 4
    HS3020-0.5 (12-5.0) 3 2 0.5 12 5
    HS3020-0.5 (12-6) 3 2 0.5 12 6
    HS3020-0.5 (15-2) 3 2 0.5 15 2
    HS3025-0.5 (5.4-1.2) 3 2.5 0.5 5.4 1.2
    HS3030A 3 3 0.38 10 1.5
    HS3030-0.5 (6.5-2) 3 3 0.5 6.5 2
    HS3030-0.5 (6.6-1.8) 3 3 0.5 6.6 1.8
    HS3030-0.5(7.5-2)-R 3 3 0.5 7.5 2
    HS3030-0.5 (8.8-1.8) 3 3 0.5 8.8 1.8
    HS3030-0.5 (10-2) 3 3 0.5 10 2
    HS3030-0.5 (12-3) 3 3 0.5 12 3
    HS3030-0.5 (12-2) 3 3 0.5 12 2
    HS3030-0.5 (14-4.0) 3 3 0.5 14 4
    HS3035-0.5 (6-1) 3 3.5 0.5 6 1
    HS3035-0.5 (11.5-4) 3 3.5 0.5 11.5 4
    HS3040A 3 4 0.5 10.4 4
    HS3042-0.5(9.0-2.2) 3 4.2 0.5 9 2.2
  • امپدانس مشخصه 50Ω سر گرد تک هسته ای
    امپدانس مشخصه 50Ω سر گرد تک هسته ای
    مدل اندازه (میلی متر)
    الف ب سی D E
    HS3045-0.5 (8.5-2) 3 4.5 0.5 8.5 2
    HS3047-0.5 (9.4-2.2) 3 4.7 0.5 9.4 2.2
    HS3047-0.5 (12-5.1) 3 4.7 0.5 12 5.1
    HS3050-0.5 (9-2) 3 5 0.5 9 2
    HS3052A 3 5.2 0.5 10.3 4
    HS3057-0.5 (12.5-3) 3 5.7 0.5 12.5 3
    HS3620-0.5 (9-2.5) 3.6 2 0.5 9 2.5
    HS3616-0.6 (12.2-1.6) 3.6 1.6 0.6 12.2 1.6
    HS3625-0.6 (6.5-2) 3.6 2.5 0.6 6.5 2
    HS2540-0.8 (27-5) 2.5 4 0.8 27 5
    HS4030A 4 3 1 10.6 4.6
    HS5010-0.8 (5.9-2.45) 5 1 0.8 5.9 2.45
    HS5015-0.8 (7.3-4.9) 5 1.5 0.8 7.3 4.9
    HS5016B 5 1.6 0.8 5.6 2
    HS5016-0.8 (8.6-3.0) 5 1.6 0.8 8.6 3
    HS5030-0.8 (17.2-2) 5 3 0.8 17.2 2
    HS5040-0.8 (12-3) 5 4 0.8 12 3
    HS5060-0.8 (11.5-2.5) 5 6 0.8 11.5 2.5
    HS5065-0.8 (13.7-3) 5 6.5 0.8 13.7 3
  • امپدانس مشخصه 50Ω سر گرد تک هسته ای
    امپدانس مشخصه 50Ω سر گرد تک هسته ای
    مدل اندازه (میلی متر)
    الف ب سی D E
    HS5065-0.8 (15.5-3) 5 6.5 0.8 15.5 3
    HS5516-0.9 (8.3-2.8) 5.5 1.6 0.9 8.3 2.8
    HS5516-0.9 (8.5-2.8) 5.5 1.6 0.9 8.5 2.8
    HS5516-0.9 (8.7-2.8) 5.5 1.6 0.9 8.7 2.8
    HS5516-0.9 (8.9-2.8) 5.5 1.6 0.9 8.9 2.8
    HS5516-0.9 (9.1-2.8) 5.5 1.6 0.9 9.1 2.8
    HS5516-0.9 (11.9-2.8) 5.5 1.6 0.9 11.9 2.8
    HS5516-0.9 (12.6-2) 5.5 1.6 0.9 12.6 2
    HS5516-0.9 (13.8-2.8) 5.5 1.6 0.9 13.8 2.8
    HS5525-0.9 (9.7-1.6) 5.5 2.5 0.9 9.7 1.6
    HS5525-0.9 (16-5) 5.5 2.5 0.9 16 5
    HS5530-0.9 (8.8-2.3) 5.5 3 0.9 8.8 2.3
    HS5530-0.9 (9.6-2.3) 5.5 3 0.9 9.6 2.3
    HS5530-0.9 (13.8-2.8) 5.5 3 0.9 13.8 2.8
    HS5530A 5.5 3 1.35 13.5 7.5
    HS5530B 5.5 3 1.35 13.8 7.8
    HS6016-1.0 (8.5-1.5) 6 1.6 1 8.5 1.5
    HS6840-0.9 (7-1.5) 6.8 4 0.9 7 1.5
    HS8330-1.3(13-5) 8.3 3 1.3 13 5
  • امپدانس مشخصه 50Ω - سر تخت تک هسته ای
    امپدانس مشخصه 50Ω - سر تخت تک هسته ای
    مدل اندازه (میلی متر)
    الف ب سی D E
    Ka2008-0.3 (1.4-0.3) 2 0.8 0.3 1.4 0.3
    HS2008-0.3 (1.65-0.35) 2 0.8 0.3 1.65 0.35
    Ka2008-0.3 (1.8-0.3) 2 0.8 0.3 1.8 0.3
    HS2010-0.3 (1.9-0.35) 2 1 0.3 1.9 0.35
    HS2010-0.3 (2-0.5) 2 1 0.3 2 0.5
    HS2010-0.3 (2.5-0.5) 2 1 0.3 2.5 0.5
    HS2013-0.3 (2.4-0.4) 2 1.3 0.3 2.4 0.4
    HS2014-0.3 (2.6-0.4) 2 1.4 0.3 2.6 0.4
    HS2014E 2 1.4 0.3 2.3 0.45
    HS2014F 2 1.4 0.3 2.35 0.5
    HS2016-0.3-01 2 1.6 0.3 3.1 1
    HS2016-0.3 (3.3-0.7) 2 1.6 0.3 3.3 0.7
    HS2016-0.3-02 2 1.6 0.3 3.3 1
    HS2016-0.3 (5.6-2) 2 1.6 0.3 5.6 2
    HS2019-0.3 (3-0.35) 2 1.9 0.3 3 0.35
    HS2020-0.3-02 2 2 0.3 3.5 0.5
    HS2020-0.3 (3.6-0.8) 2 2 0.3 3.6 0.8
    HS2030-0.3(4.2-0.7) 2 3 0.3 4.2 0.7
  • امپدانس مشخصه 50Ω سر گرد تک هسته ای
    امپدانس مشخصه 50Ω سر گرد تک هسته ای
    مدل اندازه (میلی متر)
    الف ب سی D E
    HS8740-1.38 (8.4-3.2) 8.7 4 1.38 8.4 3.2
    HS9430-1.5 (9-3) 9.4 3 1.5 9 3
    HS9430-1.5 (11-4) 9.4 3 1.5 11 4
    HS9640-1.5 (9.2-3.2) 9.6 4 1.5 9.2 3.2
    HS10050-1.7 (15-5) 10 5 1.7 15 5
    HS130100-3(18-4) 13 10 3 18 4
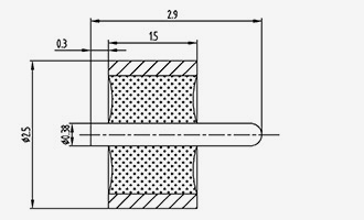
  • امپدانس مشخصه 50Ω - نوک گرد تک هسته ای
    امپدانس مشخصه 50Ω - نوک گرد تک هسته ای
    مدل اندازه (میلی متر)
    الف ب سی D E
    HS2330-0.23 (5.3-0.3) 2.3 3 0.23 5.3 0.3
    HS2815-0.3 (5.2-1.2) 2.8 1.5 0.3 5.2 1.2
    HS2815-0.3 (7.2-1.2) 2.8 1.5 0.3 7.2 1.2
    HS2635-0.3 (7.1-1.3) 2.6 3.5 0.3 7.1 1.3
    HS3822-0.5 (14.4-3.7) 3.8 2.2 0.5 14.4 3.7
    HS3525-0.5(11.5-6) 3.5 2.5 0.5 11.5 6
  • امپدانس مشخصه 50Ω - سر تخت تک هسته ای
    امپدانس مشخصه 50Ω - سر تخت تک هسته ای
    مدل اندازه (میلی متر)
    الف ب سی D E
    HS2516-0.38 (5.1-2) 2.5 1.6 0.38 5.1 2
    HS2516-0.38 (7.37-4.5) 2.5 1.6 0.38 7.37 4.5
    HS2517-0.38-01 2.5 1.7 0.38 2.7 0.65
    HS2520-0.38 (3.2-0.5) 2.5 2 0.38 3.2 0.5
    HS2525-0.38-01 2.5 2.5 0.38 3.65 0.65
    HS2530-0.38 (7.5-2.5) 2.5 3 0.38 7.5 2.5
    HS2816-0.45 (4.9-1.8) 2.8 1.6 0.45 4.9 1.8
    HS2816-0.45-01 2.8 1.6 0.45 5 3
    HS2816-0.45 (6-1.5) 2.8 1.6 0.45 6 1.5
    HS3030-0.5(7.5-2) 3 3 0.5 7.5 2
  • امپدانس مشخصه 50Ω - نوک گرد تخت تک هسته ای
    امپدانس مشخصه 50Ω - نوک گرد تخت تک هسته ای
    مدل اندازه (میلی متر)
    الف ب سی D E
    HS2006-0.3 (3.1-1.8) 2 0.6 0.3 3.1 1.8
    HS2010-0.3 (3.5-2) 2 1 0.3 3.5 2
    HS2020-0.3-01 2 2 0.3 3.7 0.6
    HS2035-0.3 (6.4-1.8) 2 3.5 0.3 6.4 1.8
    HS2816-0.45 (11.7-7.6) 2.8 1.6 0.45 11.7 7.6
    HS3020-0.5 (10-6.5) 3 2 0.5 10 6.5
    HS3216-0.5 (7.1-4) 3.2 1.6 0.5 7.1 4
    HS6448-1.0 (10.2-3.5) 6.4 4.8 1 10.2 3.5
  • Ka2032-0.3 (4.5-1.3)
    Ka2032-0.3 (4.5-1.3)
    مدل
    Ka2032-0.3(4.5-1.3)
  • K2010-0.3 (1.05-0.05)
    K2010-0.3 (1.05-0.05)
    مدل
    K2010-0.3 (1.05-0.05)
  • HS2510-0.3-02
    HS2510-0.3-02
    مدل
    HS2510-0.3-02
  • HS3520-0.5 (3.4-0.3)
    HS3520-0.5 (3.4-0.3)
    مدل
    HS3520-0.5(3.4-0.3)
  • Ka3216-0.5 (5.85-1.5)
    Ka3216-0.5 (5.85-1.5)
    مدل
    Ka3216-0.5(5.85-1.5)
  • K2515-0.38 (2.9-0.3)
    K2515-0.38 (2.9-0.3)
    مدل
    K2515-0.38(2.9-0.3)
  • 2-K482515-0.38(2.9-0.3)
    2-K482515-0.38(2.9-0.3)
    مدل
    2-K482515-0.38(2.9-0.3)
  • KW2016-0.3 (0.7-1.6)
    KW2016-0.3 (0.7-1.6)
    مدل
    KW2016-0.3(0.7-1.6)
  • KW2016-0.3 (1-2.2)
    KW2016-0.3 (1-2.2)
    مدل
    KW2016-0.3(1-2.2)
  • KW2025-0.3 (1-2.2)
    KW2025-0.3 (1-2.2)
    مدل
    KW2025-0.3(1-2.2)
  • JPW2040-0.3-01
    JPW2040-0.3-01
    مدل
    JPW2040-0.3-01
  • KW2018-0.3 (0.95-2.1)
    KW2018-0.3 (0.95-2.1)
    مدل
    KW2018-0.3(0.95-2.1)
  • امپدانس مشخصه غیر 50Ω - نوک گرد تک هسته ای
    امپدانس مشخصه غیر 50Ω - نوک گرد تک هسته ای
    مدل اندازه (میلی متر)
    الف ب سی D E
    JD1515-0.4 (5-1.5) 1.5 1.5 0.4 5 5
    JD1615-0.4 (8-1.9) 1.6 1.5 0.4 8 8
    JD1616-0.4 (30-14.2) 1.6 1.6 0.4 30 30
    JD1614-0.45 (11.4-5) 1.6 1.4 0.45 11.4 11.4
    JD1616-0.45 (4.65-1.05) 1.6 1.6 0.45 4.65 4.65
    JD1616-0.45 (16-4) 1.6 1.6 0.45 16 16
    JD1616-0.45 (30-14.2) 1.6 1.6 0.45 30 30
    JD2020-0.45 (6.3-3) 2 2 0.45 6.3 6.3
    JD2020-0.45 (10-4) 2 2 0.45 10 10
    JD1614-0.5 (9-4) 1.6 1.4 0.5 9 9
    JD1616-0.5 (30-14.2) 1.6 1.6 0.5 30 30
    JD1619-0.5 (5.1-2) 1.6 1.9 0.5 5.1 5.1
    HS2015-0.5 (7.5-3) 2 1.5 0.5 7.5 7.5
    JD2016-0.5(12-5.8)-R 2 1.6 0.5 12 12
    HS2018-0.5 (9.5-1.5) 2 1.8 0.5 9.5 9.5
    HS2018-0.5 (11.5-7.2) 2 1.8 0.5 11.5 11.5
    HS2030-0.5 (10-2) 2 3 0.5 10 10
    JD1919-0.6(7.9-1.9)-R 1.9 1.9 0.6 7.9 7.9
  • امپدانس مشخصه غیر 50Ω - نوک گرد تک هسته ای
    امپدانس مشخصه غیر 50Ω - نوک گرد تک هسته ای
    مدل اندازه (میلی متر)
    الف ب سی D E
    HS2040-0.6 (6-1) 2 4 0.6 6 1
    JD1818-0.7 (10-6) 1.8 1.8 0.7 10 6
    JD1818-0.7 (22.2-0.4) 1.8 1.8 0.7 22.2 0.4
    HS2016-0.7 (4.6-1.5) 2 1.6 0.7 4.6 1.5
    HS2016-0.7 (6.3-1.5) 2 1.6 0.7 6.3 1.5
    HS2016-0.7 (7.1-1.5) -R 2 1.6 0.7 7.1 1.5
    HS2016-0.7 (7.6-1.5) 2 1.6 0.7 7.6 1.5
    HS2016-0.7 (9.6-4) 2 1.6 0.7 9.6 4
    K2016-0.7 (11-4.6) 2 1.6 0.7 11 4.6
    HS2016-0.7 (11.6-5) 2 1.6 0.7 11.6 5
    HS2016-0.7 (17-15.1) 2 1.6 0.7 17 15.1
    HS2016-0.7 (20-0.3) 2 1.6 0.7 20 0.3
    HS2017-0.7 (9.7-3) 2 1.7 0.7 9.7 3
    HS2035-0.7 (13-3) 2 3.5 0.7 13 3
    HS2020-0.75 (12-4) 2 2 0.75 12 4
    HS2015-0.8 (6.5-3) 2 1.5 0.8 6.5 3
    JD2015-0.8 (10.5-3) 2 1.5 0.8 10.5 3
    JD2063-0.5 (10.3-2) 2 6.3 0.5 10.3 2
  • امپدانس مشخصه غیر 50Ω - نوک گرد تک هسته ای
    امپدانس مشخصه غیر 50Ω - نوک گرد تک هسته ای
    مدل اندازه (میلی متر)
    الف ب سی D E
    JD2518-0.8 (12.8-5) 2.5 1.8 0.8 12.8 5
    JD2520-0.8 (14-4) 2.5 2 0.8 14 4
    JD2540-0.8 (10-4) 2.5 4 0.8 10 4
    JD3218-0.8 (51.8-20) 3.2 1.8 0.8 51.8 20
    JD2530-0.9 (6.6-1.8) 2.5 3 0.9 6.6 1.8
    JD2540A 2.5 4 0.8 10 4
    JD2816-1 (6.6-2) 2.8 1.6 1 6.6 2
    K2816-1.0 (16-10) 2.8 1.6 1 16 10
    JD3218-1 (27-15) 3.2 1.8 1 27 15
    JD3015-1.3 (10.2-6.1) 3 1.5 1.3 10.2 6.1
    JD3015-1.3 (10.5-3) 3 1.5 1.3 10.5 3
    JD3430-1.4 (10.5-4.5) 3.4 3 1.4 10.5 4.5
    JD12940-1.7 (10-3) 12.9 4 1.7 10 3
    JD3916-2(6.6-2) 3.9 1.6 2 6.6 2
  • امپدانس مشخصه غیر 50Ω- سر تخت تک هسته ای
    امپدانس مشخصه غیر 50Ω- سر تخت تک هسته ای
    مدل اندازه (میلی متر)
    الف ب سی D E
    JD1510-0.3-01 1.5 1 0.3 5.5 1.5
    JD1315-0.35-01 1.3 1.5 0.35 3.5 0.3
    JD1515-0.4 (4.5-0.5) 1.5 1.5 0.4 4.5 0.5
    JD1516-0.4-01 1.5 1.6 0.4 14.6 1
    JD1615-0.5 (7-0.5) 1.6 1.5 0.5 7 0.5
    JD1619-0.5 (8.7-3) 1.6 1.9 0.5 8.7 3
    JD1619-0.5 (10.3-4.6) 1.6 1.9 0.5 10.3 4.6
    JD2016-0.5 (4.5-0.6) 2 1.6 0.5 4.5 0.6
    JD2016-0.5 (12-5.8) 2 1.6 0.5 12 5.8
    JD2020-0.5-01 2 2 0.5 5.2 0.5
    JD2044-0.5 (6.3-0.4) 2 4.4 0.5 6.3 0.4
    JD1919-0.6 (7.9-1.9) 1.9 1.9 0.6 7.9 1.9
    RF2010-0.7 (6.0-3.0) 2 1 0.7 6 3
    JD2015-0.8 (6.5-3) 2 1.5 0.8 6.5 3
    RF2016-0.8 (6.6-4.5) 2 1.6 0.8 6.6 4.5
    JD2816-1(10.3-4.9) 2.8 1.6 1 10.3 4.9
  • امپدانس مشخصه غیر 50Ω- نوک گرد تخت تک هسته ای
    امپدانس مشخصه غیر 50Ω- نوک گرد تخت تک هسته ای
    مدل اندازه (میلی متر)
    الف ب سی D E
    RF1515-0.38 (2.9-0.3) 1.5 1.5 0.38 2.9 0.3
    JD1614-0.5 (17.9-0.5) 1.6 1.4 0.5 17.9 0.5
    JD1615-0.5 (9-2.5) 1.6 1.5 0.5 9 2.5
    JD2016-0.7 (8.1-4.5) 2 1.6 0.7 8.4 4.5
    JD2040-0.6 (10-4.5) 2 4 0.6 10 4.5
    JD2016-0.7 (9.1-2.5) 2 1.6 0.7 9.1 2.5
    JD2035-0.7(22-3) 2 3.5 0.7 22 3
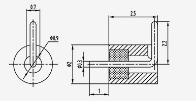
  • امپدانس مشخصه غیر 50Ω - نوع سر ناخن
    امپدانس مشخصه غیر 50Ω - نوع سر ناخن
    مدل اندازه (میلی متر)
    الف ب سی D E اف جی
    JD1616-0.45 (4.2-1.5) 1.4 1.5 4.2 0.45 1.6 0.8 0.3
    JD1614-0.45 (6.2-0.8) 1.4 0.8 6.2 0.45 1.6 0.8 0.3
    JD1614-0.45 (6.9-1.5) 1.4 1.5 6.9 0.45 1.6 0.8 0.2
    JD1620-0.45 (7-1) 2 1 7 0.45 1.6 1 0.3
    JD1630-0.5 (7.5-0.5) 3 0.5 7.5 0.5 1.6 0.6 0.2
    JD1630-0.5 (10.5-0.5) 3 0.5 10.5 0.5 1.6 0.6 0.2
    JD1816-0.5 (20-0.5) 1.6 0.5 20 0.5 1.8 0.7 0.3
    JD2020B 2 2 0.6 5.7 1
  • JP2016-0.7 (7.1-1.5)
    JP2016-0.7 (7.1-1.5)
    مدل
    JP2016-0.7 (7.1-1.5)

    مدل اندازه (میلی متر)
    الف ب سی D E اف جی
    JD1614-0.45 (6.9-1.5) -R 1.4 1.5 6.9 0.45 1.6 0.8 0.2
    JD1630-0.5(7.5-0.5)-R 3 0.5 7.5 0.5 1.6 0.6 0.2
  • امپدانس مشخصه غیر 50Ω - نوع سر ناخن
    امپدانس مشخصه غیر 50Ω - نوع سر ناخن
    مدل اندازه (میلی متر)
    الف ب سی D E اف جی
    JD1614-0.45 (6.9-1.5) -R 1.4 1.5 6.9 0.45 1.6 0.8 0.2
    JD1630-0.5(7.5-0.5)-R 3 0.5 7.5 0.5 1.6 0.6 0.2
  • JD1516-0.4-02
    JD1516-0.4-02
    مدل
    JD1516-0.4-02
  • RF1816-0.8 (6.6-4.5)-2
    RF1816-0.8 (6.6-4.5)-2
    مدل
    RF1816-0.8(6.6-4.5)-2
  • 2-RF281515-0.38(2.9-0.3)
    2-RF281515-0.38(2.9-0.3)
    مدل
    2-RF281515-0.38(2.9-0.3)
  • 2-RF301516-0.5 (5.85-1.5)
    2-RF301516-0.5 (5.85-1.5)
    مدل
    2-RF301516-0.5(5.85-1.5)
  • JD301520-0.5-01
    JD301520-0.5-01
    مدل
    JD301520-0.5-01
  • JD301515-0.5-01
    JD301515-0.5-01
    مدل
    JD301515-0.5-01
  • JD201315-0.35-01
    JD201315-0.35-01
    مدل
    JD301515-0.5-01
  • JD271516-0.4-02
    JD271516-0.4-02
    مدل
    JD271516-0.4-02
  • JD271516-0.4-01
    JD271516-0.4-01
    مدل
    JD271516-0.4-01
  • JD2615-0.35-01
    JD2615-0.35-01
    مدل
    JD2615-0.35-01
  • 3-RF411515-0.38(2.9-0.3)
    3-RF411515-0.38(2.9-0.3)
    مدل
    3-RF411515-0.38(2.9-0.3)
  • 3-RF421516-0.5 (5.85-1.5)
    3-RF421516-0.5 (5.85-1.5)
    مدل
    3-RF421516-0.5(5.85-1.5)
  • JD261516-0.3-01
    JD261516-0.3-01
    مدل
    JD261516-0.3-01
  • JD391516-0.4-01
    JD391516-0.4-01
    مدل
    JD391516-0.4-01
  • JD2815-0.35-01
    JD2815-0.35-01
    مدل
    JD2815-0.35-01
  • RF3416-0.8(6.6-4.5)-4
    RF3416-0.8(6.6-4.5)-4
    مدل
    RF3416-0.8(6.6-4.5)-4
  • 4-RF3416-0.5 (5.85-1.5)
    4-RF3416-0.5 (5.85-1.5)
    مدل
    4-RF3416-0.5(5.85-1.5)
  • JD341315-0.35-01
    JD341315-0.35-01
    مدل
    JD341315-0.35-01
  • JD272716-0.4-01
    JD272716-0.4-01
    مدل
    JD272716-0.4-01
  • JD511516-0.4-01
    JD511516-0.4-01
    مدل
    JD511516-0.4-01
  • JD2016-0.3-01
    JD2016-0.3-01
    مدل
    JD2016-0.3-01
  • JD3115-0.35-01
    JD3115-0.35-01
    مدل
    JD3115-0.35-01
  • JD631516-0.4-01
    JD631516-0.4-01
    مدل
    JD631516-0.4-01
  • RF1816-0.8 (6.6-4.5)-6
    RF1816-0.8 (6.6-4.5)-6
    مدل
    RF1816-0.8(6.6-4.5)-6
  • 6-RF811515-0.5 (0.5-8.2)
    6-RF811515-0.5 (0.5-8.2)
    مدل
    6-RF811515-0.5(0.5-8.2)
  • 6-RF821515-0.5 (5.5-2.5)
    6-RF821515-0.5 (5.5-2.5)
    مدل
    6-RF821515-0.5(5.5-2.5)
  • JD501516-0.4-01
    JD501516-0.4-01
    مدل
    JD501516-0.4-01
  • JD811520-0.5-0.1
    JD811520-0.5-0.1
    مدل
    JD811520-0.5-0.1
  • 7-RF941515-0.5 (5.5-2.5)
    7-RF941515-0.5 (5.5-2.5)
    مدل
    7-RF941515-0.5(5.5-2.5)
  • JD1201515-0.5-01
    JD1201515-0.5-01
    مدل
    JD1201515-0.5-01
  • JMC-265-JH
    JMC-265-JH
    مدل
    JMC-265-JH
  • JD1201515-0.5-02
    JD1201515-0.5-02
    مدل
    JD1201515-0.5-02
  • RF1816-0.8(6.6-4.5)-9
    RF1816-0.8(6.6-4.5)-9
    مدل
    RF1816-0.8(6.6-4.5)-9
  • JYZ22-0.45-01
    JYZ22-0.45-01
    مدل
    JYZ22-0.45-01
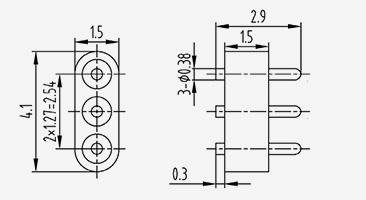
  • امپدانس مشخصه غیر 50Ω - چند هسته ای
    امپدانس مشخصه غیر 50Ω - چند هسته ای
    مدل اندازه (میلی متر)
    الف ب سی D E اف جی اچ یک کشش ردیف فسخ
    JD156018-0.3(27.2-0.8)-8 27.2 0.8 1.4 6 1.8 0.6 0.3 0 8 1 پیوند سطح بالایی هادی داخلی
    JD151152-0.3 (4.5-1.5)-9 4.5 1.5 1.5 11.5 2 1.27 0.3 0 9 1 لحیم کاری
    2-JD162020-0.3(5-1.7)-4 الف1=5
    الف2=3.6
    ب1=1.7
    ب2=1
    1.6 2 2 0.57 0.3 0.57 4 2 افlat bonding on both sides of the inner conductors
    2-JD162020-0.3(7.6-1.7)-4 الف1=7.6
    الف2=3.6
    ب1=1.7
    ب2=1
    1.6 2 2 0.57 0.3 0.56 4 2 افlat bonding on both sides of inner conductor ends
    JD158215-0.38(7-0.8)-6 7 0.8 1.5 8.2 1.5 1.27 0.38 0 6 1 باندینگ صورت سر ناخن بالایی
    JD153015-0.38(8-1.9)-2 8 1.9 1.5 3 1.5 1.27 0.38 0 2 1 جوش داده شده
    2-JD162525-0.38(10.6-3.5)-4 10.6 3.5 1.6 2.5 2.5 0.71 0.38 0.71 4 2 لحیم کاری
    2-JD187425-0.38(3.8-1)-16 الف1=3.8
    الف2=5.2
    ب1=1
    ب2=1.7
    1.8 7.4 2.5
    4
    0.88 0.38 1.02 16 2 انتهای هادی داخلی صاف و به طرفین چسبیده است
    JD1510516-0.45(7.5-2)-8 7.5 2 1.5 10.5 1.6 1.27 0.45 0 8 1 لحیم کاری
    JD155515-0.5(5.7-1.7}-4 5.7 1.7 1.5 5.5 1.5 1.27 0.5 0 4 1 هادی داخلی باند پهن شده سمت بالایی
    JD1512015-0.5(5.8-2.5)-9 5.8 2.5 1.5 12 1.5 1.27 0.5 0 9 1 اتصال جانبی صاف شده هادی داخلی پایین تر
    JD153015-0.5(7-0.5)-2 7 0.5 1.5 3 1.5 1.27 0.5 0 2 1 بonding of inner conductor ends
  • امپدانس مشخصه غیر 50Ω - چند هسته ای
    امپدانس مشخصه غیر 50Ω - چند هسته ای
    مدل اندازه (میلی متر)
    الف ب سی D E اف جی اچ یک کشش ردیف فسخ
    JD153815-0.5(7.7-1.2)-2 7.7 1.2 1.5 3.8 1.5 2.1 0.5 0 2 1 هادی داخلی باند پهن شده سمت بالایی
    JD153015-0.5(13.5-4)-2 13.5 4 1.5 3 1.5 1.27 0.5 0 2 1 جوشکاری
    JD1613215-0.5(10.6-2)-10 10.6 2 1.6 13.2 1.5 1.27 0.5 0 10 1 لحیم کاری
    JD302915-0.5(8-1)-2 8 1 3 2.9 1.5 1.27 0.5 0 2 1 پیوند سطح بالایی هادی داخلی
    2-JD165528-0.5(7.6-1)-8 7.6 1 1.6 5.5 2.8 1.07 0.5 0 8 2 پیوند سطح بالایی هادی داخلی
    2-JD154330-0.5(5.8-2)-5 الفl=5.8
    الف2=5.1
    ب1=2
    ب2=1.3
    1.5 4.3 3 1.27 0.5 1.5 5 2 لحیم کاری صاف کردن سمت بالایی
    2-JD156830-0.5(5.8-2)-9 الفl=5.8
    الف2=5.1
    ب1=2
    ب2=1.3
    1.5 6.8 n 1.27 0.5 1.5 6 2 جوش صاف کردن هادی داخلی سمت بالایی
    2-JD1512030-0.5(9.3-2.8)-18 الف1=9.3
    الف2=8
    ب1=2.8
    ب2=1.5
    1.5 12 3 1.27 0.5 1.5 18 2 جوشکاری Flattening of inner conductor ends
    3-JD155545-0.5(9.5-4)-12 الفl=9.5
    الف2=7.5
    الف3=5.5
    ب1=4
    ب2=3
    ب3=2
    1.5 5.5 4.5 1.27 0.5 1.5 12 3 لحیم کاری
    2-JD207015-0.6(7-3)-10 الف1=7
    الف2=6
    ب1=3
    ب2=2
    2 7 1.5 1.27 0.6 1.5 10 2 هادی داخلی از دو طرف مسطح و چسبانده شده است
    2-JD3012230-0.6(10.8-5)18 10.8 5 3 12.2 3 1.27 0.6 1.5 18 2 پیوند مسطح سمت هادی داخلی پایین
  • JYZ22-0.45-02
    JYZ22-0.45-02
    مدل
    JYZ22-0.45-02

در تماس باشید

[#ورودی#]
ارسال کنید
درباره ما
Ningbo Hanson Communication Technology Co., Ltd.
Ningbo Hanson Communication Technology Co., Ltd.
Ningbo Hanson Communication Technology Co., Ltd. is China عایق شیشه RF Supplier and Custom عایق شیشه RF Company. We are a manufacturer specializing in the production, processing, and trade of communication components, with more than 30 years of experience in RF coaxial connectors, adapters, and cable assemblies. این شرکت اکنون کارگاه ماشینکاری، کارگاه آبکاری، کارگاه مونتاژ و گروهی از تامین کنندگان پایدار و قابل اعتماد خود را توسعه داده است. هدف این شرکت ارائه محصولات باکیفیت به مشتریان است. محصولات اصلی کانکتورهای کواکسیال RF، آداپتورها، مجموعه کابل های فرکانس بالا و مجموعه کابل های کم مدولاسیون هستند. علاوه بر این، این شرکت همچنین می تواند خدماتی را برای مشتریان با نیازهای سفارشی ارائه دهد تا نیازهای ویژه مشتریان را برای محصولات برآورده کند. محصولات این شرکت به طور گسترده در هوافضا، ایستگاه های پایه ارتباطی، تجهیزات پزشکی و سایر زمینه های با تکنولوژی بالا استفاده می شود. در زمان اصلاحات، نوآوری، توسعه و رشد شرکت، این شرکت ابتکار عمل را برای پیوستن به سیستم مدیریت کیفیت بین المللی ISO9001 به دست گرفت و به طور مستمر سطح مدیریت را بهبود بخشید تا محصولات و خدمات رضایت بخشی را به مشتریان جدید و قدیمی ارائه دهد.
آخرین اخبار
به دنبال فرصت تجاری هستید؟

درخواست تماس امروز